承盟企業社 ChenMo
Menu ☰
首頁
鋁擠型
半導體設備項目
無塵工作亭
感應器軌道
滑台產品
產品相簿
檔案下載
聯絡我們
首頁
>
鋁擠型
簡介
>
三角塊
上一頁
>
6系列三角塊
型 號:DCL2430
表 面:噴砂
材 質:鋁壓鑄
用 途:連接6系列鋁擠型
型 號:DCL2760
材 質:鋁壓鑄
表 面:噴砂
用 途:1.連接6系列鋁擠型2.連接6630與3060,可配合FB6060 M16 OR FB06120 使用
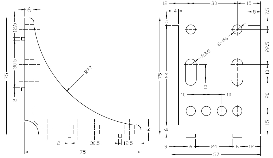
型 號:DCL5775
材 質:鋁壓鑄
表 面:噴砂
用途:連接6系列鋁擠型
型 號:ENJ0630
表 面:鋁壓鑄
表 面:噴砂
用 途:CF3030R與CF3030R連結件,與ENGR0630配合使用
技術資料
螺絲螺母
Email :
chenmo6688@gmail.com
公司地址 : 桃園市大溪區仁和六街59號 TEL : 03-389-6269 FAX : 03-380-9028